Winwon Chips Winwon Chips

Advanced 99.9999999% Auto Operation Nh3 Purification Device with Touch Screen

Customization: Available
Application Fields: Chemical, New Energy
Condition: New

Product Description

📊

Basic Information

Model NO.
10NM3/H - 20000NM3/H
Gas Type
Ammonia (NH3)
Noise Level
Ultra Low
Purification Method
Adsorption
Purification Tech
High-Temperature Catalysis / RT Adsorption
Product Model
Wp17-AA
Gas Source Inlet
≤3000 Ppb
Gas Source Outlet
<1 Ppb
Particles
≤1PCS/M3 >0.003μm
HS Code
8421399090
⚙️

Product Description

7N-9N Ammonia Purification System

The advanced ammonia purifier is engineered for high-purity industrial requirements. It consists of two main components: the process pipeline and the electrical control system. The integrated PLC manages the operation of process valves, ensuring safe, stable, and continuous gas supply.

Ammonia Purification Device

Key Features & Technology

  • 7N-9N High-Efficiency Purification: Reaches ultra-high purity levels suitable for semiconductor applications.
  • Dual-Tower Alternating Adsorption: Guarantees a continuous and uninterrupted gas supply.
  • Online Regeneration: Adsorbents can be regenerated online repeatedly, reducing maintenance costs.
  • Premium Build: Utilizes 316L SS EP purification vessels for maximum durability and purity.
  • Full Automation: PLC control system with a touch screen interface for fully automated operation.
  • Safety Interlocks: Equipped with enhanced alarm interlock functions for secure processing.
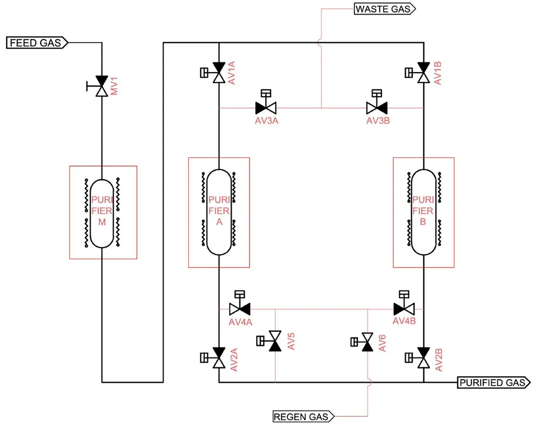
System Diagram
Technical Specifications (WP17-AA) NH3 Detail
Impurities Inlet (ppb) Outlet (ppb)
O2 ≤3000 <1
H2O ≤3000 <1
CO2 ≤1000 <1
NMHC ≤1000 <1
Particles / ≤1pcs/m³ (>0.003μm)
Purification Process Detail
📸

Detailed Photos

Detailed Product View
🚀

Applications

📜

Certifications

Quality Certifications

Frequently Asked Questions

1. What purity level can the NH3 purification system achieve?
The system is capable of achieving 7N to 9N purity (99.99999% to 99.9999999%), reducing impurities like O2 and H2O to less than 1 ppb.
2. Does the system support continuous operation?
Yes, it uses a dual-tower alternating adsorption process which ensures a continuous gas supply even during the regeneration phase.
3. Can the adsorbents be reused?
Yes, the system is designed for online regeneration, allowing the adsorbents to be refreshed and reused multiple times without manual replacement.
4. What materials are used in the construction?
The system utilizes 316L SS EP (Electropolished Stainless Steel) purification vessels and components to prevent contamination and ensure gas integrity.
5. Is the purification process fully automated?
Yes, it is controlled by a high-end PLC system with a touch screen interface, managing all valves and safety interlocks automatically.
6. Which industries are these systems primarily used for?
These systems are critical for semiconductor manufacturing, integrated circuits, LED and laser diode production, and high-efficiency solar cell manufacturing.

Related Products