Winwon Chips Winwon Chips

40mk045 Mk4045 PV Photovoltaic Schottky Barrier Bypass Solar Diode

Still deciding? Get samples of $ !
Request Sample

Product Description

Overview - Basic Info
Model NO.
40MK045
Certification
RoHS, ISO
Structure
Module
Material
Silicon / Copper / Epoxy / Tin / Lead
Technique
Trench
Production Type
Automation
Storage Temp
-55 to 150 ℃
Case
Molded Plastic
Package
Plastic Tube / Carton Box
Origin
China
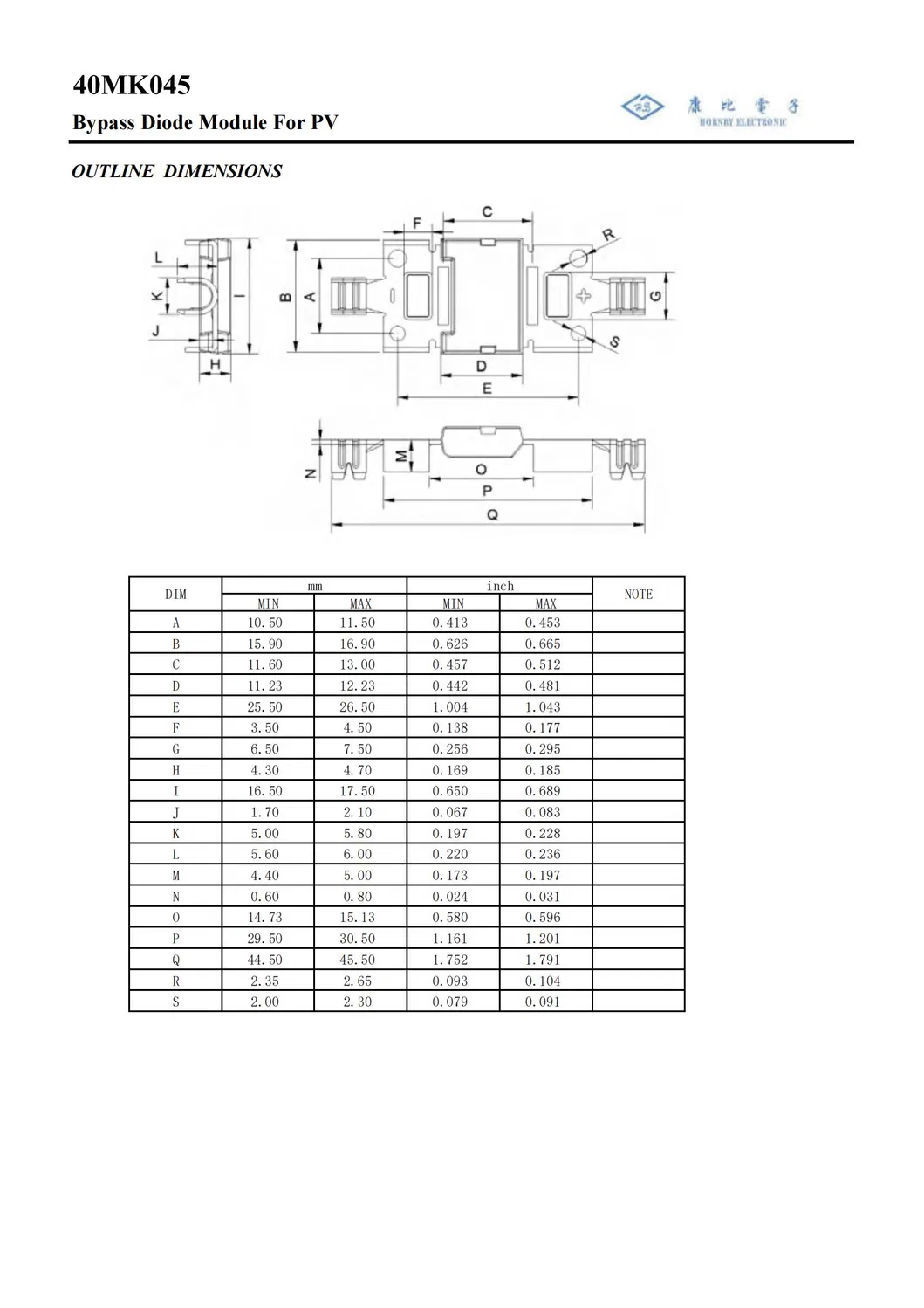
Product Parameters
Model: 40MK045 MK4045
Type Max Peak Reverse Voltage (Vpk) Max Average Rectified Current (Io) @Temp (℃) Forward Peak Surge Current (Ifm) Max Reverse Current (mAdc) Max Forward Voltage (Vpk) Package Dimensions
40MK045 45 40.0 25 400 0.2 0.55 MK-01
Key Features & Description
Metal of silicon rectifier, majority carrier conduction
Guard ring for transient protection
Low power loss, high efficiency
High current capability, low IR
High surge capacity
Excellent high temperature reverse characteristic
Ideal for photovoltaic solar cell protection
Trench Schottky rectifier technology
Manufacturing Facility Display
Frequently Asked Questions
Is customization available for special requirements?
Yes, customization is available for packaging, chips, leads, and solders. We have an independent R&D team and factory to handle specialized technical requests.
What if I can't find a specific part number?
Only the most popular products are listed online. If you need a specific diode that is not shown, please contact our sales team for our full product catalog.
How can I ensure the authenticity of the products?
We recommend purchasing directly from us or authorized distributors. Products from unauthorized sellers may carry quality risks. You can verify authorized distributors with our sales representatives.
Are these products RoHS and ISO compliant?
Yes, all our 40MK045 series products meet RoHS and ISO certification standards, ensuring environmental safety and high-quality management.
What is the typical lead time for bulk orders?
Lead times vary based on order volume and current stock. Generally, standard items can be processed quickly due to our automated production capacity.
What are the primary applications for this Schottky diode?
The 40MK045 is primarily designed for photovoltaic solar cell protection, bypass functions, and high-efficiency power rectification.

Related Products